Сооружаем самодельные парники из подручных материалов
Самодельный парник из подручных материалов.
Парники — давным-давно не новация в обиходе людей. Тем не менее до сих времён идет усердная работа по упрощению и улучшению данного нехитрого будто бы сооружения.
Так, один читатель портала Рудачник.RU взамен деревянных парубней, сгнивающих после 3–4 лет работы, использовал изготовленные из швеллера 15 на 42 миллиметра. Из них он составил раму величиной 105 на 160 сантиметров. К коротким ее сторонам приварил ручки, для того чтобы ее сподручнее было перетаскивать с места на место. А по всем сторонам заклепками присоединил деревянные бруски 35 на 30 сантиметров с пазами — в них практично вставлять стекла.
А вот другой пользователь нашего портала, не изменив материал остова самодельного парника — дерева, «покусился» на его покрытие: заменив стекла на полиэтиленовую пленку — парник за меньшие деньги выходит. По длине парник он располагает с запада на восток, борта (размером по три метра) делает двойными: внутреннюю их обшивку из горизонтально приколоченных, наружную — в вертикальном положении поставленных досок (величина парубня 40 сантиметров, из которых половина заглублена в почву). Для комфортного ухода за посаженными растениями на южном и северном бортах парника он поперечно грунту прибивает деревянные бруски сечением 4,5 на 4,5 сантиметров и при их помощи через парник перебрасывает две прекрасно обструганные доски величиной поперечного сечения 2,5–3 сантиметра. Данная прочная опора дозволяет ему обрабатывать междурядья, не приминая возделываемые растения. В итоге, сверху получившийся короб накрывает рамой, которая сколочена из реек шириной 5 и величиной поперечного сечения 3 сантиметров. Петлями он крепко приделал ее к северной стороне парника, сверху и снизу закрыл плёнкой, подхватывая плёнку рядами хорошо натянутой лески — парусность пленки пропадает и даже сильный ветер не сдёргивает ее. При появлении заморозков удаляются из парника две доски, которые служили ему опорой при уходе за грунтом, а взамен них помещается вторая рама (также обтянутая пленкой), по сопоставлению с первой несколько меньшей величины. В крайнем случае, устанавливает внутрь еще и сделанное из металла ведро с крышкой, в которое нужно поместить сильно нагретый кусок каменного угля либо прогоревшие дрова.
Вообще, наполнить теплом самодельный парник по плечу и …воде. Правда, для этого необходимо, чтобы его рама была перегорожена не одним, а 2-мя рядами стекла. Между ними налейте небольшой толщины прослойку воды, которая содержит возле 2 процентов (от общего объема) хлорида меди. Данный раствор беспрепятственно пропускает солнечный свет к растениям, но довольно полно впитывает инфракрасные лучи и, следовательно, греется. Теплая вода самотеком попадает в покрытый изолятором накопительный бачок, ее же место занимает холодная. И так до вечера, если поворотом вентиля вы перекрываете путь остуженному раствору, нагретый раствор же пускаете по трубкам, который расположен в бортах парубней. Они передают тепло растениям, защищая их от заморозка.
Отдельные хозяева личных подсобных участков делают переносные пленочные укрытия, употребляя для этой цели полиэтилен шириной 100–150 сантиметров и протяженность на 1,5 метра больше той гряды, которую они собираются накрывать. По длине данного пленочного рулона через каждый метр поперечно приваривают либо приклеивают свернутые из того же материала трубочки таким диаметром, который позволяет сквозь них беспрепятственно продеть 8-мм проволоку.
Части проволоки (лучше всего алюминиевой, она не подвергается коррозии) выводят в получившиеся трубочки таким образом, чтобы по обе стороны обреза пленки торчали «штыри» размером 20 сантиметров — и крыша для грядки готова. Так как в весеннее время, перед тем как ставить ее на место, остается изогнуть все проволоки дугами равного диаметра, а их концы вонзить в почву. В завершение манипуляции пленку, свисающую по торцам укрытия, прикапывают землей.
Данная устройство удобно и тем, что в осеннее время поддерживающие ее дуги допускается выпрямить, пленку скатать в рулон и таким способом, не занимая специальной площадки, держать до последующего времени года.
Все-таки у этого укрытия имеется и важнейший недостаток: под ним нелегко поддерживать оптимальный микроклимат. Скажем, в дневное время температурные показатели воздуха под пленкой резко растут вверх, по этой причине находящиеся под ней растения нужно непременно вентилировать. Однако тогда дружно с температурой упадет и относительный уровень влажности, а это неудовлетворительно для растений. Негативные факторы в таком сооружении проявятся и ночью: пленка пропускает тепло, из этого следует, возрастают относительная уровень влажности и возможность заражения листьев заболеваниями. И еще изъян: отсутствие верхнего проветривания способствует затруднению опыления цветов насекомыми.
Стараясь исправить упомянутые минусы, другой читатель портала / переделал крышу над грядкой. От первоначальной идеи он оставил только лишь алюминиевые дуги-проволоки, которые составляют как бы каркас предстоящего сооружения шириной 160 сантиметров. Сверху на них уложил решетку, изготовленную из 2-х имеющих большую длину параллельных реек (промежуток между ними 30 сантиметров), сколоченных между собой тремя поперечными планками. Между продольными рейками натянул пленку с некрупными отверстиями, достаточными для введения дождевых капель. Подобным же штапиком к каждой из тех же реек крепко приделал скрученные в рулон полиэтиленовые шторы — раскрутившись под воздействием силы тяжести приделанной к ним бобины, они плотно прилегают к проволочным дугам каркаса, формируя боковые стенки укрытия (в развернутом состоянии бобина данных «штор» не должна задевать земли). Торцовые его стороны плотно заделываются пленкой, пришитой к подобным дугам. Итог? Поутру, во время самого интенсивного летнего облёта пчел, довольно сдвинуть пленку на верхней решетке — и дорога насекомым к растениям открыта. А в дневное время допускается приподнять боковые шторы (немного скатав их и подперев появившийся рулон палочками) и тем самым дать проникнуть внутрь свежему воздуху.
По-другому подошли к проблеме другая группа огородников с сайта Рудачник.RU. Они построили тепличку с солнечным обогревом закрытой ею почвы. В дневное время, если внутри сооружения солнце нагрело воздух, вентилятор, определённый в одном из торцов, загоняет его в особые трубы, расположенные в земле. Охлаждаясь в них, воздух опять попадает в надземное место. Там он понемногу греется и процесс производится повторно, вследствие чего, первое, почва без перерыва накапливает дополнительные градусы, второе, немного охлаждается воздух в укрытии, в-третьих, в нем растёт относительная уровень влажности. В ночное время же грунт неторопливо отдает аккумулированное за сутки тепло воздуху, из-за чего его относительная влажность падает. Следовательно, в теплице всё время поддерживается лучший для формирования растений микроклимат.
Под одной крышей гряды шириной 1–1,25 метра производят, обычно, насыпными. И чаще всего на песчаных почвах и при залегании грунтовых вод на глубине 1,5 м и меньше растения сажают на земляные полосы, между которыми на глубину 50–70 сантиметров копают особые проходы. В конце концов, трубы в землю заглубляют так, чтобы поверх них были насыпаны прослойка глины в 70 сантиметров и питательный состав величиной 20 сантиметров. При непрерывной эксплуатации с мая по август вентилятор в данных условиях потребляет всего 80–90 кВт-ч электроэнергии.
Все бы было прекрасно, да при значительных размерах расположенных сбоку поверхностей данной теплицы даже туго натянутая пленка достаточно весьма быстро провисает — воздействует устойчивая смена дневных и ночных температур. И тогда ветер рвет данные «стенки». Как же быть?
Выход был найден. Рекомендуется натянуть по длине боковин 3 алюминиевые проволочки — 2 под и 1 над пленкой (и непременно посредине ее ширины). Эффект парусности исчезнет. Впрочем, так получается защититься от ветра при толщине пленки в 0,18 миллиметра. Когда пленка тоньше, то придётся под ней натягивать 3, а над ней — 2 проволочки.
Однако какой бы конструкции ни была тепличка, имеется в ней нечто, имеющее общее с остальными: в ней необходимо производить полив растений. В то же время дожди проливают немало влаги, без прока стекающей по пленочному покрытию.
Допускается ли исправить такое положение? Один читатель раздела «Парники и теплицы» на сайте / предложил теплицу, крыша которой представляет собой водосборник-душ, для чего верхнее покрытие собственного культивационного сооружения он выполнил в виде корытца. Раму его изготовил из деревянных брусков величиной поперечного сечения 2,5 и вышиной 5–8 сантиметров. На нижнюю их доля натянул полиэтиленовую пленку, через каждые 30–50 сантиметров подхваченную (для большей стойкости) алюминиевой проволокой либо капроновой нитью. Впоследствии раскаленным гвоздём прожог в пленке дыры поперечником 2,5–3 миллиметра на расстоянии 25–40 сантиметров друг от друга. После чего осталось прикрепить в висячем положении некоторое количество подобных корытцев на особых крючках-опорах, забитых в верхнюю часть боковин каркаса теплицы, и прошумевший дождь принялся исправно производить полив огородных культур, при этом собранного на крыше резерва влаги достаточно на некоторое количество дней.
И последнее. Все самодельные парники необходимо всё время вентилировать, то открывая, то закрывая их форточки. Производят это в ручном режиме, что, безусловно, неудобно, да и препятствует на долгое время уезжать по делам. А вот один читатель портала Рудачник.RU автоматизировал управление фрамугами, для чего ему потребовалось всего пара сосудов, объединенных резиновой трубкой (рис).

Автомат для открытия форточки в теплице от читателя: 1 - форточка; 2 — ось; 3 — открытый сосуд; 4 — резиновая трубка; 5 — закрытый сосуд; 6 — планка; 7 — ограничительный шнур
Заранее к форточкам в самодельном парнике, беспрепятственно вращающимся вокруг центральной оси в границах 30–35°, он крепко приделал деревянные (допускается металлические) планки. К последним подвесил пару сосудов: емкостью 2,5–4 литров (его накрывает крышка с отверстием поперечником 5–6 миллиметра для сообщения с атмосферой) и вместимостью вчетверо-впятеро большей (его верх запаян). Пустые сосуды равны по весу друг другу. Впоследствии их скрепляют резиновой трубкой и в оба наливают внутрь воду в количестве 0,9 объема (при этом 80 процентов данного количества заносится в малую, прочее — в большую емкость), после чего система принимается работать по принципу сообщающихся сосудов. Помимо того, поверх зеркала воды в первый сосуд налито небольшое количество масла — для предупреждения испарения воды. При температурным показателям воздуха возле 30 °С вода в малой емкости расширяется и по резиновой трубке переходит в большую. Вследствие этого больший сосуд делается тяжелее, опускается, тянет за собой фрамугу, и она открывается. При вечернем снижении температурных показателей воздуха в большом сосуде вода расширяется, выдавливая часть воды обратно в малый. Масса емкостей делается одинаковой, форточка в теплице закрывается. Для того чтобы при открывании она не распахивалась достаточно широко, ее соединяют с планками ограничительными шнурами.
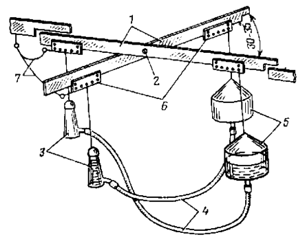
По-другому поступил другой наш пользователь (на рисунке).

Конструкция самодельного парника от нашего пользователя:
1 — стеклянная банка емкостью 1 л; 2 — гибкая трубка; 3 — рычаг; 4 — рама форточки; 5 — шарнир; 6 — стеклянная банка емкостью 3 л; 7 — металлическая крышка; 8 — металлическая трубка; 9 — каркас теплицы.
К раме форточки в самодельном парнике он крепко приделал рычаг, на котором смонтировал стеклянную банку вместимостью один литр, закрытую крышкой. В неё вставлен гибкий шланг из резины либо полихлорвинила внутренним поперечником 2–3 миллиметра. В свою очередь, этот шланг он объединил с металлической трубкой внешним поперечником 3–4 миллиметра. Она же припаяна к металлической крышке, плотно затворяющей верх трехлитровой банки. Воду (почти до горловины) заливают в банку вместимостью три литра. При подъеме температурных показателей внутри теплицы пары влаги через металлическую трубку и шланг попадают в малую емкость, там конденсируются. Понемногу малая банка становится тяжелее, нажимает на рычаг и поворачивает форточку вокруг шарнира. При снижении температуры весь процесс идет в обратном направлении, и форточка закрывается.
- Войдите или зарегистрируйтесь, чтобы отправлять комментарии

